Brake Light Switch Wiring Diagram / Wiring Diagram Car Switch : Visit howstuffworks to check out this brake light wiring diagram.. Click on image for larger size. Brake light wiring with 3 wire turn signal help. Only some of the wire colors and connector or switch styles are different. The brake light and turn signal connections in our classic update harnesses are broken down into sections to demonstrate how. Wiring a basic light switch, with power coming into the switch and then out to the light is illustrated in this diagram.

How to diagnose tail lights. I need some wiring diagrams related to brake light switch. 1146 x 900 jpeg 163 кб. I could use a copy. Main fuse panel under hood fuse 3 to sub fuse panel inside jeep fuse 3 15 amp.

Brake Lights Not Working
Brake Lights Not Working from forum.73-87chevytrucks.com
There are several standards for trailer wires, and if you search, you'll find a different trailer wiring diagram for each. Using a low pressure hydraulic brake light switch is your best bet! Wiring a basic light switch, with power coming into the switch and then out to the light is illustrated in this diagram. Connector numbers enclosed by frame are indicated with the mitsubishi innovative valve timing and lift electronic control system. As drivers slow down behind a vehicle that is pulling a trailer, they will often instinctively focus on the bright brake lights as a reference point for. Relay you are pointing to on flaebay is normally open relay used for things like fuel pump, windows. Garelli wiring is functionally the same as minarelli wiring on many italian mopeds. Connect blue wires to key switch (see diagram 2.8).

On newer cars using a bcm or lighting module the brake light switch completes a ground circuit which triggers the lighting on vehicles using a lighting or bcm module use a wiring diagram to test the ingoing signal from the switch and the outgoing voltage to the lights.

Click on image for larger size. This color trailer wiring diagram will help you when you need to connect your trailer to your truck's wiring harness or repair a wire that isn't working. This light switch wiring diagram page will help you to master one of the most basic do it yourself projects around your house. Whether you have power coming in through the switch or from the lights, these switch wiring diagrams will show you the light. Ground for shut off, rer pilot lamp, beeper and beeper switch. I have power(checking with testlight) going into the stoplight switch, and power coming out when pedal is depressed. Contributors to this page include. Anyone have a wiring diagram how you can make a 3 wire turn signal and brake light switch work? Please copy/paste the following text to properly cite this howstuffworks.com article: Section 11 wiring diagrams subsection 01 (wiring diagrams). 1146 x 900 jpeg 163 кб. Tt1ere :;t1uulu ije t.:u11li11uily will1 lth:i rrunti:.>rake lever squeezed and no continuity with the. Wow pain to follow the wiring diagram but here goes.

Car or truck brake lights not working? Two way switching schematic wiring diagram (3 wire control). 1146 x 900 jpeg 163 кб. Whether you have power coming in through the switch or from the lights, these switch wiring diagrams will show you the light. Connector numbers enclosed by frame are indicated with the mitsubishi innovative valve timing and lift electronic control system.

Bimmerforums The Ultimate Bmw Forum
Bimmerforums The Ultimate Bmw Forum from lh4.googleusercontent.com
Brake light switch wiring diagram? Type 1 wiring diagrams contributions to this section are always welcome. As drivers slow down behind a vehicle that is pulling a trailer, they will often instinctively focus on the bright brake lights as a reference point for. Black anti vandal toggle switch. Ed grabianowski how brake light wiring works 18 november 2008. As in the wiring harness diagram is used. Goes to brake switch on top. Wiring diagram of single tube light installation with electromagnetic ballast.

Main fuse panel under hood fuse 3 to sub fuse panel inside jeep fuse 3 15 amp.

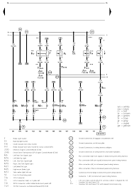
Type 1 wiring diagrams contributions to this section are always welcome. Check the brake light switch: Relay k6 (brake light suppressor/esp relay k12 (brake light switch) fuse f15 (brake lights/brake light switch. Each standard has it's different. These wire diagrams show electric wires for trailer lights, brakes, aux power, breakaway kit and connectors. Two way switching schematic wiring diagram (3 wire control). How t o read the wiring diagrams contents of wiring diagrams. Extra blue jumpers/splices are required to connect the golf/street switch, and optional brake light. Relay you are pointing to on flaebay is normally open relay used for things like fuel pump, windows. Also do the relays tend to go bad? Changed the brake light switch but no difference. I could use a copy. Ed grabianowski how brake light wiring works 18 november 2008.

I need some wiring diagrams related to brake light switch. 1146 x 900 jpeg 163 кб. From the junction box the neutral wire is not taken out to the switch board, rather it is taken out from another terminal of the switch, the wire is carried up to tube light set up and connected to port 1 of the electronic ballast. On newer cars using a bcm or lighting module the brake light switch completes a ground circuit which triggers the lighting on vehicles using a lighting or bcm module use a wiring diagram to test the ingoing signal from the switch and the outgoing voltage to the lights. Tt1ere :;t1uulu ije t.:u11li11uily will1 lth:i rrunti:.>rake lever squeezed and no continuity with the.

Brake Lights Are Not Working I Have Replaced The Bulbs The
Brake Lights Are Not Working I Have Replaced The Bulbs The from www.2carpros.com
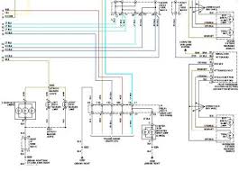
Signal light and hazard light wiring diagram / troubleshoot and repair. From the junction box the neutral wire is not taken out to the switch board, rather it is taken out from another terminal of the switch, the wire is carried up to tube light set up and connected to port 1 of the electronic ballast. Anyone have a wiring diagram how you can make a 3 wire turn signal and brake light switch work? The brake light and turn signal connections in our classic update harnesses are broken down into sections to demonstrate how. Brake light switch wiring diagram? Main fuse panel under hood fuse 3 to sub fuse panel inside jeep fuse 3 15 amp. Click on image for larger size. Whether you have power coming in through the switch or from the lights, these switch wiring diagrams will show you the light.

How to diagnose tail lights.

Need a trailer wiring diagram? If equipped with rear brake lights kit (diagram 2.1), label and keep factory wires from the brake pedal/ park switch. From the junction box the neutral wire is not taken out to the switch board, rather it is taken out from another terminal of the switch, the wire is carried up to tube light set up and connected to port 1 of the electronic ballast. Fuses, brake light switch, etc is good. Stop light x tail light | wiring diagram. We have a variety of switches, rocker switches, toggle switches and more. Contributors to this page include. There are several standards for trailer wires, and if you search, you'll find a different trailer wiring diagram for each. Connect blue wires to key switch (see diagram 2.8). Check the brake light switch: Please can someone provide me any electrical diagram related to brake switch and esp module location? 31 1998 chevy silverado brake light switch wiring diagram. Theses wires will be 21.

By