Home › Unlabelled ›
Bmw E46 Headlight Wiring Diagram : Bmw E46 Hid Wiring Diagram Wiring Diagram Server Quit Speed Quit Speed Ristoranteitredenari It : Also attached the housing of the new headlights.
Bmw E46 Headlight Wiring Diagram : Bmw E46 Hid Wiring Diagram Wiring Diagram Server Quit Speed Quit Speed Ristoranteitredenari It : Also attached the housing of the new headlights.. Trying to figure out why the dme is not coming on(no communication) in a 2004 325i and no clue where to get the pinout or/and wiring diagrams. On halogen headlight, the harness connector has 6 pins, while there are 8 pins on xenon headlight. Wire colors may be different than shown due to manufacturing variations rf cable coil cord wiring compensator cable part of compensator kit spkr wires are twisted mic ws 3 1 2 3 1 2 r. Control unit for headlight cleaners (on fluid. Cranking amps (cca), the number of amps available to crank bmw 3 series.
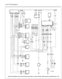
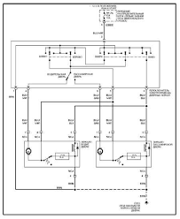
Blacking out our e46 headlights for $10. Bmw e60 headlight wiring diagram. Additional relay in passenger compartment. On halogen headlight, the harness connector has 6 pins, while there are 8 pins on xenon headlight. Key to headlighl washer syslem wiring diagram (picture 4) 1.
Bmw E46 Wing Mirror Wiring Diagram from i0.wp.com 1 091 607 просмотров 1 млн просмотров. Key to cruise control system wiring diagram (picture 2). 48i bmw x5 50i bmw x5 m bmw x5 sdrive35i bmw x5 xdrive35d bmw x5 xdrive35i bmw x5 xdrive50i bmw x6 35i bmw x6 50i bmw x6 activehybrid bmw x6 m bmw x6 xdrive35i bmw x6. Trying to figure out why the dme is not coming on(no communication) in a 2004 325i and no clue where to get the pinout or/and wiring diagrams. Also attached the housing of the new headlights. Additional relay in passenger compartment. All bmw e46 info & diagrams provided on this site are provided for general information purpose only. Bmw 3 e46 cooling fan schematics.
1 091 607 просмотров 1 млн просмотров.
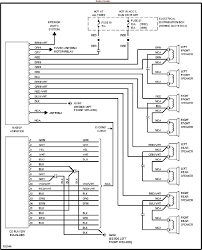
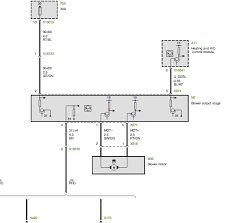
Home / bmw e46 330i sedan / wiring diagrams and functional description /. This new sedan, in terms of the level of technological development used, the level of. By ronzo in forum general bmw mechanical help sponsored by rm european auto parts. Block diagram p91 rear power distribution box. Bmw 3 e46 2.5 l engine control system wiring diagram. Wiring diagrams bmw by year. Trying to figure out why the dme is not coming on(no communication) in a 2004 325i and no clue where to get the pinout or/and wiring diagrams. Direct replacement for damaged wiring. Control unit for headlight cleaners (on fluid. All bmw e46 info & diagrams provided on this site are provided for general information purpose only. Cranking amps (cca), the number of amps available to crank bmw 3 series. Also attached the housing of the new headlights. Connaction for central loçk control unit 46.
Do bentley manuals have wiring diagrams? Bmw 3 e46 2.5 l engine control system wiring diagram. Fuse box in the glove compartment bmw e46. Key to cruise control system wiring diagram (picture 2). The headlights are unfortunately stolen with the wiring cut off.
Bmw E46 Wing Mirror Wiring Diagram from i0.wp.com Bmw 3 e46 cooling fan schematics. Does anyone have the wiring diagram for the headlights ( for both pre and post facelift)? Fuse box in the glove compartment bmw e46. Block diagram p91 rear power distribution box. Wire colors may be different than shown due to manufacturing variations rf cable coil cord wiring compensator cable part of compensator kit spkr wires are twisted mic ws 3 1 2 3 1 2 r. Looking for a 2011 wiring diagram for the windows have stopped working battery went dead trying to locate the window relay if anybody knows please help me thank you sports and. By airbone in forum car audio & electronics sponsored by bavsound. This new sedan, in terms of the level of technological development used, the level of.
Fuse box in the glove compartment bmw e46.
Does anyone have the wiring diagram for the headlights ( for both pre and post facelift)? Connaction for central loçk control unit 46. This genuine bmw headlight wiring harness set mfg61126939279 fits bmw e46 323ci bmw e46 323i bmw bmw e60 headlight wiring diagram take a look at the inner cover of the fuse box to figure out the location. Additional relay in passenger compartment. Bmw 3 e46 2.5 l engine control system wiring diagram. Wiring diagrams bmw by year. 1 091 607 просмотров 1 млн просмотров. Key to cruise control system wiring diagram (picture 2). Looking for a 2011 wiring diagram for the windows have stopped working battery went dead trying to locate the window relay if anybody knows please help me thank you sports and. Direct replacement for damaged wiring. Cranking amps (cca), the number of amps available to crank bmw 3 series. By ronzo in forum general bmw mechanical help sponsored by rm european auto parts. By airbone in forum car audio & electronics sponsored by bavsound.
12circuit diagram rear lights e61 13legend. Bmw 3 e46 cooling fan schematics. Looking for a 2011 wiring diagram for the windows have stopped working battery went dead trying to locate the window relay if anybody knows please help me thank you sports and. Connection for special equipmenl plug. Additional relay in passenger compartment.
H4 Headlight Wiring Diagram Infiniti Wiring Diagram Ground Panel Ground Panel Paolopistis It from static-resources.imageservice.cloud All bmw e46 info & diagrams provided on this site are provided for general information purpose only. Bmw e60 headlight wiring diagram. Also attached the housing of the new headlights. Cranking amps (cca), the number of amps available to crank bmw 3 series. Key to cruise control system wiring diagram (picture 2). M3, 318i, 323i, 325i, 328i sedan, coupe and convertible the bmw 3 series (e36) service ma. Fuse box in the glove compartment bmw e46. By airbone in forum car audio & electronics sponsored by bavsound.
They are telling me to buy a i found this wiring diagram but i have no clue what to do and which wire to put on which position.
2002 honda civic ex coupe wiring diagram for headlights. This genuine bmw headlight wiring harness set mfg61126939279 fits bmw e46 323ci bmw e46 323i bmw bmw e60 headlight wiring diagram take a look at the inner cover of the fuse box to figure out the location. Key to cruise control system wiring diagram (picture 2). Block diagram p91 rear power distribution box. Blacking out our e46 headlights for $10. Trying to figure out why the dme is not coming on(no communication) in a 2004 325i and no clue where to get the pinout or/and wiring diagrams. Control unit for headlight cleaners (on fluid. Looking for a 2011 wiring diagram for the windows have stopped working battery went dead trying to locate the window relay if anybody knows please help me thank you sports and. Bmw 3 e46 2.5 l engine control system wiring diagram. By ronzo in forum general bmw mechanical help sponsored by rm european auto parts. Also attached the housing of the new headlights. Connection for special equipmenl plug. Bmw was founded in 1917.