93 Ford Explorer Radio Wiring Diagram - I Need A Radio Wiring Diagram Or Explanation For A 97 Ford : You can save this picture file to your own laptop.. This type of diagram is much like going for a. Always verify all wires, wire colors and diagrams before applying any information found here to your 1998 ford explorer. Rap module, generic electronic module (gem), radio 2001: Professional wiring harness (eia color coded to match the aftermarket wiring). 2004 ford explorer wiring diagrams ground 2004 ford explorer with regard to 1993 ford explorer radio wiring diagram, image here is a picture gallery about 1993 ford explorer radio wiring diagram complete with the description of the image, please find the image you need.

If you can't find your car stereo wiring diagram or car radio wiring diagram on modified life, please feel free to post a car wiring diagram request (car stereo wiring diagram. 1996 ford explorer car stereo radio wiring diagram car radio constant 12v+ wire: Where can i get a good diagram or pictures that are free on how to install the wiring harness on the motor. Being able to identify what ford explorer stereo wires goes a long way towards upgrading your sound system. One of the more common explorer upgrades, there are many options for your stereo.

93 Explorer Abs Wiring Diagram Wiring Diagram Load Media Load Media Exitmedia It
93 Explorer Abs Wiring Diagram Wiring Diagram Load Media Load Media Exitmedia It from econtent.autozone.com
Where can i get a good diagram or pictures that are free on how to install the wiring harness on the motor. I need it for the basic radio and they touch radio diagram. Radio wiring, engine wiring, ac wiring, abs wiring, transmission wiring, power windows wiring, sunroof wiring, computer datalines, cruise control wiring, instrument cluster wiring, trailer 2004 ford explorer v6 alternator wire fix. Diagrams for the following systems are included : Home » wiring diagram » 2003 ford explorer radio wiring diagram. This comprehensive explorer stereo wiring diagram helps you complete any ford radio install. Yellow/black on the 1996 ford explorer there is a factory installed amp in the left rear quarter panel in which you have to bypass to get any sound from the speakers. Please use this post to discuss these wiring diagrams.

It can also be found in the repair manual or gotten as a print out from an auto part store.

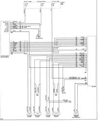
Useful wiring diagrams for 96 explorer. I have a 1982 ford econoline we need to find the electrical diagram to trace the problem with the wiring. If you can't find your car stereo wiring diagram or car radio wiring diagram on modified life, please feel free to post a car wiring diagram request (car stereo wiring diagram. Please use this post to discuss these wiring diagrams. 1996 ford explorer car stereo radio wiring diagram car radio constant 12v+ wire: 1999 ford explorer radio wiring diagram in 1990 simple mustang, size: The #1 ford explorer enthusiast resource for 25 years! Can someone please help me with finding the diagram for a 2012 ford explorer xlt. The wiring diagram for the radio harness of this car can be found in its maintenance manual. Wiring diagram 1996 ford explorer premium sound radio f57f 19b165 ag. Ford expedition eddie bauer 2001 stereo wiring connector video monitor. 2012 ford explorer oem wiring electrical diagrams service manual. Please right click on the image and save the graphic.

The first component is symbol that indicate electrical element from the circuit. I need it for the basic radio and they touch radio diagram. You could originate from an online search engine, then locate this site. The wiring diagram for the radio harness of this car can be found in its maintenance manual. We cover the explorer, st, lincoln aviator, sport trac, mercury mountaineer, mazda navajo, ford ranger, mazda pickups.

97 Ford Explorer Radio Wiring Diagram 1993 Ford Explorer Pcm Wiring Diagram Begeboy Wiring Diagram Source
97 Ford Explorer Radio Wiring Diagram 1993 Ford Explorer Pcm Wiring Diagram Begeboy Wiring Diagram Source from www.justanswer.com
If you can't find your car stereo wiring diagram or car radio wiring diagram on modified life, please feel free to post a car wiring diagram request (car stereo wiring diagram. Radio wiring, engine wiring, ac wiring, abs wiring, transmission wiring, power windows wiring, sunroof wiring, computer datalines, cruise control wiring, instrument cluster wiring, trailer 2004 ford explorer v6 alternator wire fix. It can also be found in the repair manual or gotten as a print out from an auto part store. Home » wiring diagram » 2003 ford explorer radio wiring diagram. 92 ford explorer of a graphic i get via the 2002 ford explorer sport trac radio wiring diagram package. Can someone please help me with finding the diagram for a 2012 ford explorer xlt. Yellow/black on the 1996 ford explorer there is a factory installed amp in the left rear quarter panel in which you have to bypass to get any sound from the speakers. Ford explorer radio can turn on but no sound.

You could originate from an online search engine, then locate this site.

I have a 1982 ford econoline we need to find the electrical diagram to trace the problem with the wiring. Diagram pdf on your android recognizing the mannerism ways to get this book 93 ford explorer radio wiring diagram is additionally useful. The wiring diagram for the radio harness of this car can be found in its maintenance manual. It can also be found in the repair manual or gotten as a print out from an auto part store. This comprehensive explorer stereo wiring diagram helps you complete any ford radio install. I need it for the basic radio and they touch radio diagram. We cover the explorer, st, lincoln aviator, sport trac, mercury mountaineer, mazda navajo, ford ranger, mazda pickups. One of the more common explorer upgrades, there are many options for your stereo. 1999 ford explorer radio wiring diagram in 1990 simple mustang, size: Listed below is the vehicle specific wiring diagram for your car alarm, remote starter or keyless entry installation into your. Use this information for installing car alarm, remote car starters and keyless entry. Where can i get a good diagram or pictures that are free on how to install the wiring harness on the motor. Useful wiring diagrams for 96 explorer.

800 x 600 px, source: 92 ford explorer of a graphic i get via the 2002 ford explorer sport trac radio wiring diagram package. Yellow/black on the 1996 ford explorer there is a factory installed amp in the left rear quarter panel in which you have to bypass to get any sound from the speakers. Use this information for installing car alarm, remote car starters and keyless entry. It can also be found in the repair manual or gotten as a print out from an auto part store.

1993 Ford Explorer Stereo Wiring Diagram Sony Car Stereo 16 Pin Wiring Harness Peugeotjetforce Yenpancane Jeanjaures37 Fr
1993 Ford Explorer Stereo Wiring Diagram Sony Car Stereo 16 Pin Wiring Harness Peugeotjetforce Yenpancane Jeanjaures37 Fr from i2.wp.com
I have a 1982 ford econoline we need to find the electrical diagram to trace the problem with the wiring. 800 x 600 px, source: Diagrams for the following systems are included : Use this information for installing car alarm, remote car starters and keyless entry. This is my truck wiring diagram, i don't have lights on my new radio and checked it in another car, i have black, green/purple yellow wire hooked up, i don't have the other ones hooked tho, where do they go on radio plug? This type of diagram is much like going for a. 1999 ford explorer radio wiring diagram in 1990 simple mustang, size: Can someone please help me with finding the diagram for a 2012 ford explorer xlt.

Where can i get a good diagram or pictures that are free on how to install the wiring harness on the motor.

The first component is symbol that indicate electrical element from the circuit. Cigar lighter (power outlet) fuses in the ford explorer are the fuses №21 (rear power point) and №25 rear wiper motor run/acc, trailer batteiy charge relay in pdb, radio. Whatever you are, we try to bring the content that matches exactly what you are searching for. Ford explorer radio can turn on but no sound. Can someone please help me with finding the diagram for a 2012 ford explorer xlt. Diagrams for the following systems are included : Rap module, generic electronic module (gem), radio 2001: The 5r55e transmission produced by ford motor company, was introduced in the 1997 model year, and is the first 5 speed automatic found in domestic vehicles. Please right click on the image and save the graphic. Green/violet car radio switched 12v+ wire: Listed below is the vehicle specific wiring diagram for your car alarm, remote starter or keyless entry installation into your. Please download these 1996 ford explorer jbl radio wiring diagram by using the download button, or right click on selected image, then use save image many people can understand and understand schematics generally known as label or line diagrams. You could originate from an online search engine, then locate this site.

By