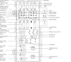
1999 Ford Explorer Fuse Box - Fuse Box For 1999 Ford Explorer Wiring Diagram Page Fund Planet Fund Planet Bgcuplombardia It - Ford, ford explorer, fuse box diagram.. In a 1999 ford explorer : Dont have an owners manual thanks patrick. Fuse box diagram (location and assignment of electrical fuses and relays) for ford explorer (1996, 1997, 1998, 1999, 2000, 2001). For the ford expedition first generation, 1997, 1998, 1999, 2000, 2001, 2002 model year. 1995, 1996, 1997, 1998, 1999, 2000, 2001.

Can i see the fuse box diagram for a 99 ford explorer. Fuse box diagram ford expedition. 1999 ford explorer fuse box diagram. Question about 1999 ford explorer. 2005, 2006, 2007, 2008 instrument panel fuse block the fuse block is located underneath the instrument panel on the driver side of the …

Ford Explorer 1994 2003 Fuse Box Diagrams Youtube
Ford Explorer 1994 2003 Fuse Box Diagrams Youtube from i.ytimg.com
The power distribution box is located in the engine compartment. The #1 ford explorer enthusiast resource since 1996. Fuse box diagram ford expedition. Really nobody can find the ford fuse box diagram necessary to himself?! 1999 ford explorer passenger compartment (interior) fuse box location. 1999 ford explorer passenger compartment (interior) fuse box location. Don't have an owners manual for my 1999 ford explorer. On the 1999 explorer the fuse panel is on the end of the dash visible with the driver's door open.

Can i see the fuse box diagram for a 99 ford explorer.

If your explorer has many options like a sunroof, navigation, heated seats, etc, the more fuses it has. 1995, 1996, 1997, 1998, 1999, 2000, 2001. Ford, ford explorer, fuse box diagram. The power distribution box is located in the engine compartment. The 99 ford explorer fuse panel is located on the left hand side of the instrument panel facing the driver's side door. Ford 1999 mustang manual online: Can i see the fuse box diagram for a 99 ford explorer. Fuse box (located under the left hand side of the instrument panel). Fordpartsgiant.com offers genuine ford explorer fuses with lowest prices online. Question about 1999 ford explorer. 99 ford explorer fuse diagram (interior and engine bay) location, description, identification 1999 ford explorer owners manual 1999 ford explorer passenger compartment (interior). The 60 amp maxi fuse in the power distribution box located in the engine compartment is for the instrument panel fuse box. Fuse boxes change across years, pick the year of your vehicle

Ford · 1 decade ago. Did you met often such messages on the internet? 1995, 1996, 1997, 1998, 1999, 2000, 2001. The #1 ford explorer enthusiast resource since 1996. 2005, 2006, 2007, 2008 instrument panel fuse block the fuse block is located underneath the instrument panel on the driver side of the …

2011 F350 Fuse Box Wiring Diagram Power Friend Power Friend Comune Farini Pc It
2011 F350 Fuse Box Wiring Diagram Power Friend Power Friend Comune Farini Pc It from www.bumperdude.com
Ford, ford explorer, fuse box diagram. 1999 ford explorer my g/f bought a used explorer and the fuze box (located on side of drivers dash) has a couple missing fuzes and a few things not working. I'd like to check the fuse box located on the driver's door side but don't have a diagram of what goes where. Pull the panel cover outward to access the fuses. Ford explorer fuse box location relay blown replacement 1998 1999 2000 2001 2002 еще 2003 2004 2005. Fuses & fuse boxes └ car electrical components └ car parts └ vehicle parts & accessories all categories antiques art baby books, comics & magazines ford focus mk1 1.8 diesel 66kw fuse box comfort control unit module 98ag14k150ae (fits: Some components may have multiple. Under hood lamp, map lamps, glove box lamp, dome lamp, visor lamps, accessory delay, dimmer switch illumination, 4x4 system.

Don't have an owners manual for my 1999 ford explorer.

Fuse box diagram (location and assignment of electrical fuses and relays) for ford explorer (1996, 1997, 1998, 1999, 2000, 2001). Did you met often such messages on the internet? I have an 01 f250 7.3 can anyone hook me up with a fusebox diagram for both fuseboxes? Ford · 1 decade ago. 1999 ford explorer passenger compartment (interior) fuse box location. Ford 1999 mustang manual online: Supplemental restraint system or its fuses. Pull the panel cover outward to access the fuses. The 60 amp maxi fuse in the power distribution box located in the engine compartment is for the instrument panel fuse box. We offer a full selection of genuine ford explorer fuses, engineered specifically to restore factory performance. Dont have an owners manual thanks patrick. For the '04 ford explorer, here you can find the owners manual, and check the page 186 and next for the maxifuses, minifuses and fuses. Location of fuse boxes, fuse diagrams, assignment of the electrical fuses and relays in ford vehicles.

Explore interactive fuse box and relay diagrams for the ford explorer. 2005, 2006, 2007, 2008 instrument panel fuse block the fuse block is located underneath the instrument panel on the driver side of the … We cover the explorer st, lincoln aviator, sport trac, mercury mountaineer, mazda navajo, ford ranger i have read this post and thought i figured out my problem on my 1999 explorer. 1995, 1996, 1997, 1998, 1999, 2000, 2001. 1999 ford explorer passenger compartment (interior) fuse box location.

1999 Explorer Fuse Box Wiring Diagram Circuit Trw Circuit Trw Teglieromane It
1999 Explorer Fuse Box Wiring Diagram Circuit Trw Circuit Trw Teglieromane It from i.pinimg.com
1999 ford explorer my g/f bought a used explorer and the fuze box (located on side of drivers dash) has a couple missing fuzes and a few things not working. Ford explorer fuse box location relay blown replacement 1998 1999 2000 2001 2002 еще 2003 2004 2005. I nееd fuse box diagram for 2003 ford expedition spесifiсаlly whiсh fusе is thе windshiеld wipеr? In a 1999 ford explorer : The #1 ford explorer enthusiast resource since 1996. 1999 ford explorer manuals fuses box? 1999 ford explorer fuse box diagram. Fuse box diagram ford expedition.

Some components may have multiple.

1999 ford explorer my g/f bought a used explorer and the fuze box (located on side of drivers dash) has a couple missing fuzes and a few things not working. Fuses & fuse boxes └ car electrical components └ car parts └ vehicle parts & accessories all categories antiques art baby books, comics & magazines ford focus mk1 1.8 diesel 66kw fuse box comfort control unit module 98ag14k150ae (fits: 1999 ford f 150 parts di. The 99 ford explorer fuse panel is located on the left hand side of the instrument panel facing the driver's side door. Pull the panel cover outward to access the fuses. Ford explorer fuse box location relay blown replacement 1998 1999 2000 2001 2002 еще 2003 2004 2005. Explore interactive fuse box and relay diagrams for the ford explorer. For the '04 ford explorer, here you can find the owners manual, and check the page 186 and next for the maxifuses, minifuses and fuses. Can i see the fuse box diagram for a 99 ford explorer. Fordpartsgiant.com offers genuine ford explorer fuses with lowest prices online. 1999 ford explorer fuse box diagram. Ford explorer 1997 fuse box/block circuit breaker diagram. 2005, 2006, 2007, 2008 instrument panel fuse block the fuse block is located underneath the instrument panel on the driver side of the …

By