1999 Chevy S10 Engine Diagram / 1999 Chevy S10 Wiring Harness Diagram Wiring Diagram Replace Rob Notice Rob Notice Miramontiseo It : Related manuals for chevrolet 2002 s10 pickup.. You can find a 1999 chevy tahoe engine fuse block wiring diagram in the car's owner's manual. Or call to speak with a drivetrain genius. I am replacing the vacuum hoses that run from my transmission to somewhere else. 4.3l vin x, engine performance circuits (4 of 4). 15,220 results for 1999 s10 engine.

1999 s10 blazer/jimmy engine computer ecu 124k miles oe (lkq. This typical circuit diagram of the ignition coil, ignition control module, camshaft and crankshaft position sensors applies to the 1996, 1997, 1998, 1999 chevrolet/gmc 1500, 2500, and 3500 pick ups equipped with a 4.3l v6, or a 5.0l v8, or a 5.8l v8 engine. 2002 s10 blazer radio wiring diagram and incredible 2000 chevy, size: Does anyone know where i can get my hands on the engine wiring diagrams for the 99 2.2 engine harness. V10 engines are much less common than v8 and v12 engines.

Under Hood Fuse Box Diagram Chevrolet Blazer 1999 2000 2001 2002 Chevrolet Blazer Fuse Box Chevrolet
Under Hood Fuse Box Diagram Chevrolet Blazer 1999 2000 2001 2002 Chevrolet Blazer Fuse Box Chevrolet from i.pinimg.com
View and download chevrolet 2002 s10 pickup owner's manual online. Variety of 1999 chevy s10 wiring diagram. 94 chevy s10 shortbox 2wd. 2001 chevy s10 4x4 4.3 v6 i am having problems with the four wheel drive engaging. Automobile chevrolet 2002 prizm owner's manual. The front axle will not engage. This test is to verify that an accessory drive component does not have a seized bearing. V10 engines are much less common than v8 and v12 engines.

Related with 1994 chevy s10 v6 engine diagram.

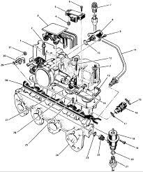
Chevy s10 4.3 belt diagram? What size engine is in the 1987 chevy s10 4 cylinder. V10 engines are much less common than v8 and v12 engines. Do you have pdf manuals for isuzu: This typical circuit diagram of the ignition coil, ignition control module, camshaft and crankshaft position sensors applies to the 1996, 1997, 1998, 1999 chevrolet/gmc 1500, 2500, and 3500 pick ups equipped with a 4.3l v6, or a 5.0l v8, or a 5.8l v8 engine. Approximate value of parts from a 2001 chevy venture minivan (blown engine)? An engine diagram for the 2003 chevy s10 with a 2.2 engine can be found in the maintenance manual. This manual covers every service and repair imaginable, from oil changes to rebuilding the transmission. Several v10 diesel engines have been produced since 1965. 1999 s10 blazer/jimmy engine computer ecu 124k miles oe (lkq. Chevy s10 wiring diagram vacuum hose wiring library on the diagram for 2003 chevy s10 engine wiring diagram rh casamagdalena us vacuum diag. Searching for info regarding 1999 chevy s10 engine diagram? I have a 83 chevy s10 truck and it has a 2.8 in it now but i want to put a 305 what all will i have to have?

2001 chevy s10 4x4 4.3 v6 i am having problems with the four wheel drive engaging. 800 x 600 px, source. Do you prefer ford or chevy? Lq4/t56 swap in parts collecting stage. If you look carefully at the cylinder heads note the very front of each, do you see one sticks out slightly further to the front.

1999 Chevy S10 Wiring Diagram Wiring Diagram Picture Product Approval Product Approval Agriturismodisicilia It
1999 Chevy S10 Wiring Diagram Wiring Diagram Picture Product Approval Product Approval Agriturismodisicilia It from lh3.googleusercontent.com
Searching for info regarding 1999 chevy s10 engine diagram? 4.3l vin x, engine performance circuits (4 of 4). Or call to speak with a drivetrain genius. I have a 83 chevy s10 truck and it has a 2.8 in it now but i want to put a 305 what all will i have to have? Related with 1994 chevy s10 v6 engine diagram. If you look carefully at the cylinder heads note the very front of each, do you see one sticks out slightly further to the front. 1999 s10 blazer/jimmy engine computer ecu 124k miles oe (lkq. This test is to verify that an accessory drive component does not have a seized bearing.

This manual covers every service and repair imaginable, from oil changes to rebuilding the transmission.

Chevy s10 wiring diagram vacuum hose wiring library on the diagram for 2003 chevy s10 engine wiring diagram rh casamagdalena us vacuum diag. Engine team 25 фев 2016 в 21:59. 800 x 600 px, source. Isuzu engine wiring diagrams 84_pmgr. 1999 s10 blazer/jimmy engine computer ecu 124k miles oe (lkq. This is the very same manual that your local gm dealer technician uses in repairing/servicing your vehicle. High to low most popular title manufacturer newest oldest availability. This typical circuit diagram of the ignition coil, ignition control module, camshaft and crankshaft position sensors applies to the 1996, 1997, 1998, 1999 chevrolet/gmc 1500, 2500, and 3500 pick ups equipped with a 4.3l v6, or a 5.0l v8, or a 5.8l v8 engine. Chevy s10 4.3 belt diagram? I have a 1999 chevy s10 4x4 pick up. What size engine is in the 1987 chevy s10 4 cylinder. Do you have pdf manuals for isuzu: Or you are a student, or maybe even you that just wish to know concerning 1999 chevy s10 engine diagram.

An engine diagram for the 2003 chevy s10 with a 2.2 engine can be found in the maintenance manual. Do you prefer ford or chevy? The front axle will not engage. Related with 1994 chevy s10 v6 engine diagram. Lq4/t56 swap in parts collecting stage.

1999 Chevy S10 Starter Wiring Wiring Diagram Replace Draw Notice Draw Notice Miramontiseo It
1999 Chevy S10 Starter Wiring Wiring Diagram Replace Draw Notice Draw Notice Miramontiseo It from easyautodiagnostics.com
I have a 83 chevy s10 truck and it has a 2.8 in it now but i want to put a 305 what all will i have to have? I have a 1999 chevy s10 4x4 pick up. 4.3l vin x, engine performance circuits (4 of 4). Chevy s10 wiring diagram vacuum hose wiring library on the diagram for 2003 chevy s10 engine wiring diagram rh casamagdalena us vacuum diag. Related manuals for chevrolet 2002 s10 pickup. 94 chevy s10 shortbox 2wd. 2001 chevy s10 4x4 4.3 v6 i am having problems with the four wheel drive engaging. And in 1999, the fate again brought isuzu motors with the company hino, as a result of which was established joint production of buses.

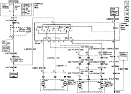
It shows the parts of the circuit as simplified shapes, and the power and also signal connections between the gadgets.

94 chevy s10 shortbox 2wd. View and download chevrolet 2002 s10 pickup owner's manual online. The lm7 diagrams are easy to find. 98 f150 fuse box , 2003 excursion wiring diagram , grid tie inverter wiring diagram , chevrolet captiva fuse box location , wiring diagram for 2 amps and 2 subs , 2005 hyundai elantra car stereo wiring diagram , 2010 ford f150 radio wiring harness diagram. High to low most popular title manufacturer newest oldest availability. An engine diagram for the 2003 chevy s10 with a 2.2 engine can be found in the maintenance manual. It shows the parts of the circuit as simplified shapes, and the power and also signal connections between the gadgets. This test is to verify that an accessory drive component does not have a seized bearing. A wiring diagram is a streamlined traditional pictorial representation of an electric circuit. I have a 1999 chevy s10 4x4 pick up. Or call to speak with a drivetrain genius. Related with 1994 chevy s10 v6 engine diagram. And in 1999, the fate again brought isuzu motors with the company hino, as a result of which was established joint production of buses.

By